久久另类视频I国产高清综合I成年人免费看I99在线精品免费视频九九视I天天综合91I又色又爽的网站
您好!歡迎光臨寧夏金昱元化工集團股份有限公司網站!
金昱元設備管控系統
返回首頁
設為首頁
網站首頁
走進金昱元
新聞中心
下屬公司
產品展示
最新招標信息
OA系統
員工社區
人才戰略
服務中心
新聞中心
集團公告
新聞動態
行業資訊
視頻影像
青銅峽辦公地址:青銅峽市青銅峽鎮
電話(傳真):0953一3015398
銀川辦公地址:銀川市興慶區綠地二十一城企業總部公園B區21號樓
電話(傳真):0951一8062678
E-mail:nxjyy@163.com
集團公告
您的位置:
首頁
>> 新聞中心 >> 集團公告
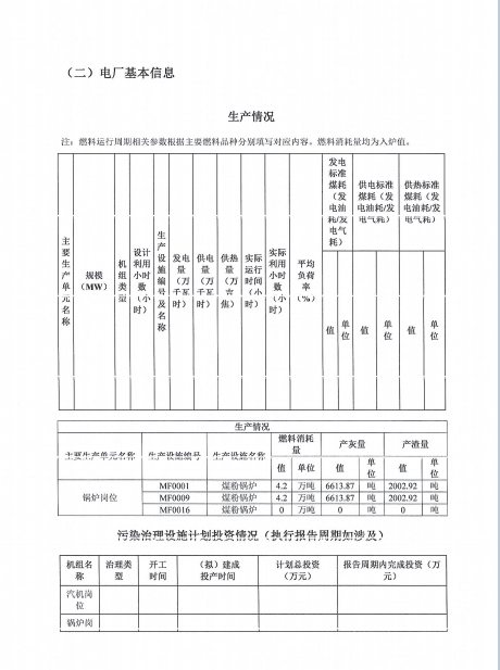
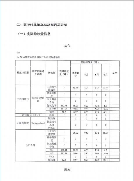
寧夏興昊永勝鹽業科技有限公司2024年第2季度排污許可執行報告
發表時間:
2024年07月29日
點擊數:7472 次 來源:興昊永勝鹽業公司 作者:穆桂陽 審核:尚繼榮
上一條:
寧夏金昱元能源化學有限公司2023年危險廢物管理情況公示
下一條:
寧夏興昊永勝鹽業科技有限公司2024年第1季度排污許可執行報...
網站首頁
走進金昱元
新聞中心
下屬公司
產品展示
最新招標信息
OA系統
員工社區
人才戰略
服務中心
版權所有:寧夏金昱元化工集團股份有限公司 Copyright © 2018 All Rights Reserved.
寧ICP備17000105號
地址:寧夏回族自治區青銅峽市青銅峽鎮 郵箱:nxjyy@163.com
電話: 辦公室:0953-3015398(傳真) 0951-8062678(傳真) 比價辦:0951-8072678
供應部:0951-8878123 銷售部:0951-8987123 財務部:0953-3012017
技術研發中心:0953-3015448
網站設計制作:
銀川天脈網絡有限公司
訪問統計: 40315575 人
寧公網安備 64038102000006號